Prejsť na obsah stránky
+421 33 641 26 51
retaze@derometal.sk
Produkty
O nás
Kontakt
E-shop
Prejsť na navigáciu
Polyetylénové klzné vedenie
Profil T
Profil T2
Profil T3
Profil E
Profil K
Profil U
Profil KG
Profil CT
Profil CT2
Metal supports
T profil
AxB
Rozmery
ISO Nr.
H
mm
M
1
mm
W
mm
T
mm
Q
kg/m
GCT-06
10x15
3/8"x7/32"
06 B-1
1,5
-
5,4
-
0,130
GCT-08
10x20
15x20
20x20
1/2"x5/16"
08 B-1
2,2
-
7,4
-
0,175
0,260
0,340
GCT-10
15x20
20x20
5/8"x3/8"
10 B-1
2,6
-
9,2
-
0,250
0,333
GCT-12
15x25
20x25
3/4"x7/16"
12 B-1
2,4
-
11,3
-
0,320
0,430
GCT-16
15x40
20x40
1"17,02 mm
16 B-1
3,5
-
16,5
-
0,450
0,675
PDF na pozretie tu
Profil T
späť na menu
T2 profil
AxB
Rozmery
ISO Nr.
H
mm
M
2
mm
W
mm
T
mm
Q
kg/m
GC-T2-06
10x25
3/8"x7/32"
06 B-2
1,5
15,74
5,4
-
0,220
GC-T2-08
10x35
15x35
20x35
1/2"x5/16"
08 B-2
2,2
21,42
7,4
-
0,295
0,460
0,630
GC-T2-10
10x40
15x40
20x40
5/8"x3/8"
10 B-2
2,6
25,79
9,2
-
0,320
0,540
0,770
GC-T2-12
15x45
20x45
3/4"x7/16"
12 B-2
2,4
30,76
11,3
-
0,620
0,845
GC-T2-16
15x65
20x65
1"17,02 mm
16 B-2
3,5
78,38
16,5
-
0,860
1,185
PDF na pozretie tu
Profil T2
späť na menu
T3 profil
AxB
Rozmery
ISO Nr.
H
mm
M
3
mm
W
mm
T
mm
Q
kg/m
GC-T3-06
10x35
3/8"x7/32"
06 B-3
1,5
25,88
5,4
-
0,770
GC-T3-08
10x45
15x45
20x45
1/2"x5/16"
08 B-3
2,2
35,24
7,4
-
0,820
1,045
1,270
GC-T3-10
10x55
15x55
20x55
5/8"x3/8"
10 B-3
2,6
43,28
9,2
-
0,850
1,125
1,400
GC-T3-12
15x60
20x60
3/4"x7/16"
12 B-3
2,4
50,22
11,3
-
0,855
1,155
PDF na pozretie tu
Profil T3
späť na menu
E profil
AxB
Rozmery
ISO Nr.
H
mm
M
1
mm
W
mm
T
mm
Q
kg/m
GC-E-06
10x20
3/8"x7/32"
06 B-1
1,5
15
5,4
4,35
0,188
GC-E-08
15x25
1/2"x5/16"
08 B-1
2,2
16,3
7,4
1,6
0,352
GC-E-10
15x28
5/8"x3/8"
10 B-1
2,6
19,2
9,2
2,1
0,394
GC-E-12
20x38
3/4"x7/16"
12 B-1
2,4
28
11,3
11,11
0,564
GC-E-16
25x51
1"17,02 mm
16 B-1
3,5
41
16,5
16,48
0,830
PDF na pozretie tu
Profil E
späť na menu
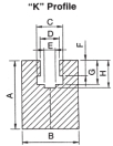
K profil
AxB
Rozmery
ISO Nr.
H
mm
D
mm
E
mm
F
mm
G
mm
C
mm
Q
kg/m
GC-K-06
25x20
3/8"x7/32"
06 B-1
10
6,8
4
5,6
8,7
9,3
0,430
GC-K-08
30x24
1/2"x5/16"
08 B-1
12,7
9
5
7,4
11,5
12,8
0,550
GC-K-10
35x30
5/8"x3/8"
10 B-1
14,8
10,7
6
9,3
13,5
15,4
0,830
GC-K-12
35x40
3/4"x7/16"
12 B-1
17,5
12,7
7
11,3
15,9
16,9
1,100
GC-K-16
45x40
1"17,02 mm
16 B-1
26,8
16,5
9
16,6
25,7
24,4
1,220
PDF na pozretie tu
Profil K
späť na menu
U profil
AxB
Rozmery
ISO Nr.
H
mm
E
mm
F
mm
C
mm
Q
kg/m
GC-U-06
15x20
3/8"x7/32"
06 B-1
4,2
4
2,8
9,2
0,260
GC-U-08
15x25
1/2"x5/16"
08 B-1
4,8
5
3,5
12,7
0,310
GC-U-10
15x25
5/8"x3/8"
10 B-1
5,1
6
3,6
15,2
0,300
GC-U-12
20x25
3/4"x7/16"
12 B-1
5,7
7
3,9
16,7
0,400
PDF na pozretie tu
Profil U
späť na menu
KG profil
AxB
Rozmery
ISO Nr.
Materiál
H
mm
D
mm
E
mm
F
mm
G
mm
C
mm
Q
kg/m
GC-KG-08
22,5x27
1/2"x5/16"
08 B-1
C10
13
8,7
5
7,4
11,5
12,8
1,295
GC-KG-10
22,5x27
5/8"x3/8"
10 B-1
C10
14,9
10,7
6
9,3
13,5
15,4
1,285
GC-KG-12
22,5x27
3/4"x7/16"
12 B-1
C10
17,5
12,3
7
11,3
15,9
16,9
1,275
PDF na pozretie tu
Profil KG
späť na menu
CT profil
AxB
Rozmery
ISO Nr.
Materiál
H
mm
T
mm
W
mm
B
1
mm
Q
kg/m
GC-CT-08
15x20
1/2"x5/16"
08 B-1
C3
2,2
17
7,4
20
0,820
GC-CT-10
15x20
5/8"x3/8"
10 B-1
C3
2,6
17
9,2
20
0,830
GC-CT-12
15x20
3/4"x7/16"
12 B-1
C3
2,4
17
11,3
20
0,840
GC-CT-16
15x28
1"17,02 mm
16 B-1
C3
3,5
18
16,5
28
1,240
PDF na pozretie tu
Profil CT
späť na menu
CT2 profil
AxB
Rozmery
ISO Nr.
Materiál
H
mm
T
mm
W
mm
B
2
mm
Q
kg/m
GC-CT2-06
15x15,7
3/8"x7/32"
06 B-2
C3
1,5
17
5,4
20
0,740
GC-CT2-08
15x21,4
1/2"x5/16"
08 B-2
C3
2,2
17
7,4
20
0,840
GC-CT2-10
15x25,9
5/8"x3/8"
10 B-2
C3
2,6
19
9,2
28
0,850
GC-CT2-12
15x30,7
3/4"x7/16"
12 B-2
C3
2,4
19
11,3
28
1,250
GC-CT2-16
20x48,3
1"17,02 mm
16 B-2
C3
3,5
27
16,5
38
2,150
PDF na pozretie tu
Profil CT2
späť na menu
Metal supports
AxB
Standard length m.
A
mm
B
mm
D
mm
S
2
mm
Q
kg/m
C5
10x20
2
10
20
10
1,5
0,480
C5
12x28
2
12
28
14
2
0,850
C9
18x38
2
18
38
22
2,5
1,500
C10
24x30
2
24
30
20
1,5
0,950
PDF na pozretie tu
Metal Supports
späť na menu
Reťazové kolesá
Reťaze a spojky
Reťaze
Reťazové napínáky
Polyetylénové klzné vedenie
Kuželové súkolia a ozubené tyče
Trapezové vodiace skrutky
Remene a remenice
Remene
Ozubené remene
Klinové remene
Remenice
Ozubené remenice
Klinové remenice
Pružné spojky
Prevodovky a elektromotory
Prípravky
Oleje a mazivá
Oleje
AUTEX
MOGUL
MADIT
Mazivá
Kvapaliny a nemrznúce zmesi
Motocyklové reťaze
O reťaziach a ich použití